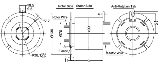
SNH038, отверстие 38.1mm
Отображать:
1-50 из 89
Для получения более точной и более подробной информации перейдите в карточку позиции - нажмите на наименование.
Размерность:

| Contact Material |
Precious metal brush,Silver plated rings |
| Current Rating |
2A,5A,10A,20A/per circuit |
| Number of Circuits |
2, 3, 4, 6, 12, 18, 24, 30, 36, 48, 56 |
| Operating Speed |
400 rpm* continuous |
| Lead Wire |
UL Teflon® Awg28,Awg22,Awg16,Awg10 (200 mm) |
| Voltage |
600 VAC |
| Operating Temp. |
-40°C to 80°C |
| Working Humidity |
60%RH |
| Torque |
Approx. ≤8.75 g·m (for reference ) |
| Dielectric Strength |
≥1000V@50Hz between each circuit |
| Insulation Resistance |
1000MΩ@ 600VDC |
| Noise |
Less than 10 mΩ @ 6 VDC, 50 mA, 5 rpm |
| Housing Material |
Aluminum Alloy |
| Protection | IP54 |

Options:
- Longer lead lengths available
- Power and signal combinations
- Rotor and stator lead exits gold alloy brush,Gold plated rings
- IP65,IP68 are optional
- flange mounting is optional
Особенности серии:
- 12,7 мм (0,5 дюйма) диаметр отверстия;
- компактный (56мм или 86мм) наружный диаметр; кольца с меньшим наружным диаметром изготавливаются по запросу;
- 2, 3, 4, 6, 12, 18, 24, 30, 36, 48 варианты сочетания контактов являются стандартными, другие изготавливаются по запросу;
- ток сигнала 5 А, 10 А; кольца, предназначенные для использования в цепях с токами больше 24 А изготавливаются по запросу;
- скорость до 600 оборотов в минуту, больше 600 об изготавливаются по запросу;
- сталь подшипников, вала и корпуса подвергается специальной обработке, позволяющей работать в жестких условий;
- посеребренные кольца являются стандартными, позолота по запросу;
- AWG28, AWG22, AWG16, AWG10, 200 мм провод являются стандартными, > 200 мм является обязательным;
- непрерывное вращение на 360°;
- степень защиты IP54, степени IP65, IP68 являются опциями;
- материал корпуса из алюминиевого сплава.
Расшифровка маркировки:

| Part.No | Power Circuit 10A |
Signal Circuit (2A) |
Total Circuits | L--(mm) |
|---|---|---|---|---|
| SNH012-0210 | 2 | --- | 2 | 26 |
| SNH012-02S | --- | 2 | 2 | 26 |
| SNH012-0310 | 3 | --- | 3 | 29 |
| SNH012-03S | --- | 3 | 3 | 29 |
| SNH012-0410 | 4 | --- | 4 | 31.5 |
| SNH012-04S | --- | 4 | 4 | 31.5 |
| SNH012-0210-02S | 2 | 2 | 4 | 31.5 |
| SNH012-0610 | 6 | --- | 6 | 37 |
| SNH012-06S | --- | 6 | 6 | 37 |
| SNH012-0210-04S | 2 | 4 | 6 | 37 |
| Part.No | Power(10A,20A) | Signal(2A) | Total Circuits | L--(mm) |
| SNH012-0810 | 8 | --- | 8 | 42.5 |
| SNH012-08S | --- | 8 | 8 | 42.5 |
| SNH012-0410-4S | 4 | 4 | 8 | 42.5 |
| SNH012-1010 | 10 | --- | 10 | 48.5 |
| SNH012-0610-4S | 6 | 4 | 10 | 48.5 |
| SNH012-1210 | 12 | --- | 12 | 54 |
| SNH012-12S | --- | 12 | 12 | 54 |
| SNH012-0610-6S | 6 | 6 | 12 | 54 |
| SNH012-1810 | 18 | --- | 18 | 70.5 |
| SNH012-18S | --- | 18 | 18 | 70.5 |
| SNH012-0610-12S | 6 | 12 | 18 | 70.5 |
| SNH012-1010-08S | 10 | 8 | 18 | 70.5 |
| Part.No | Power(10A,20A) | Signal(2A) | Total Circuits | L--(mm) |
| SNH012-2410 | 24 | --- | 24 | 87.5 |
| SNH012-0610-18S | 6 | 18 | 24 | 87.5 |
| SNH012-1210-12S | 12 | 12 | 24 | 87.5 |
| SNH012-1210-24S | 12 | 24 | 36 | 121 |
| SNH012-36S | --- | 36 | 36 | 121 |
| SNH012-48S | --- | 48 | 48 | 155 |
| *Max 96 channels available on request, Outer Diameter should be 86mm when circuits>40 |
