SNF-0330
Цена: по запросу
НДС:
все цены указаны с НДС
Оплата:
работаем по безналичному расчету только с юридическими лицами
Доставка:
курьерская служба по всей России
Сумма заказа:
принимаем заказы только от 10 000 руб.
Вы можете купить SNF-0330 по доступной цене и в короткие сроки, отправив заявку на почту i@upel.ru. Специалисты Upel оперативно предоставят Вам информацию о SNF-0330 и учтут все Ваши пожелания по способу и сроках доставки товара. Также Вы можете посмотреть другие товары из категории Контактные кольца для ветряных турбин.
Характеристики:
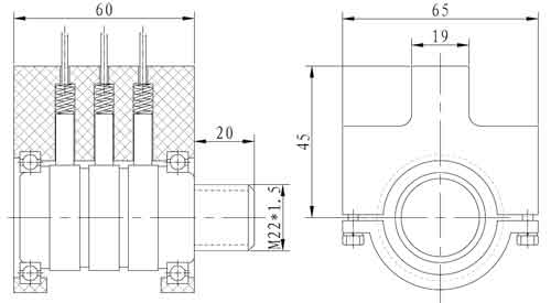
Размеры:

Спецификация:
| Circuits | Rated Current | Peak Current | Volt | working speed | Working Temperature | Wire Specifications |
| 3 | 30А | 45А | 380VDC/AC | 250RPM | 100°C | AWG16# |
Установка:

1.weight: Now to the small wind generators the weight of the whole machine are very strict sliprings of carbon brush:0.6kg sliprings of precious metal brush:0.1kg;
2.Operating torque sliprings of carbon brush,torque;8g.m sliprings of precious metal brush,torque;100g.m;
3.Construction sliprings of carbon brush isn't complete sealing; sliprings of precious metal brush is Complete sealing ;
4.Material sliprings of carbon brush is carbon,do not wear-resisting; sliprings of precious metal brush is gold-gold,long-life;
5.Preserving sliprings of carbon brush isn't complete sealing, is easily corroded sliprings of precious metal brush is high degree of protection
6.Price sliprings of precious metal brush is evry valuable.
Остались вопросы?
Не нашли нужную модель или нужна консультация по продукции? Наши менеджеры будут рады Вам помочь разобраться во всем. Просто заполните форму, и мы свяжемся с Вами как можно скорее
Контакты
Телефон: +7 (495) 21-52-647
Факс: +7 (495) 21-52-647
E-mail: i@upel.ru
394066 г. Воронеж, Московский пр-кт, д. 189/4, помещение 1/12