Знаменитый транзистор КТ829А
В нашей компании одним из бестселлеров является, безусловно, знаменитый транзистор КТ829А. Сегодня вкратце «освежим» его тактико-технические характеристики. Разумеется, он обладает n-p-n структурой, имеет максимальные допустимые импульсные напряжения коллектор-база и коллектор-эмиттер в сто вольт. Максимально допустимые токи коллектора восемь тысяч миллиампер для постоянного и двенадцать тысяч — для импульсного.
Максимально допустимая постоянная рассеиваемая мощность коллектора без теплоотвода (с теплоотводом) (60) Вт. Статический коэффициент передачи тока биполярного транзистора в схеме с общим эмиттером не менее семисот пятидесяти. Обратный ток коллектора не белее двухсот микроампер. Граничная частота коэффициента передачи тока в схеме с общим эмиттером не менее четырех мегагерц. Коэффициент шума биполярного транзистора — не более двух децибелл.
Аналоги транзистора КТ829А - 2SD686, 2SD691, 2SD692, BDW23C, BDх53C, BD263A, BD265A, BD267A, BD335, BD647, BD68
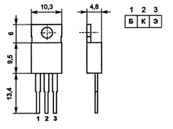
Цоколевка транзистора КТ829А
